
Manual override capability isn’t just a convenience—it’s often a must-have for maintenance, troubleshooting, and system testing. That’s why most Functional Devices RIB® relays come with a manual override switch option. But what if your relay doesn’t have one? Good news! With a simple wiring change and one of our prepackaged Switches in a Box (SIB02S), you can easily add manual override functionality without replacing your existing RIB®. Let’s walk through how it works and why it’s a valuable feature for any control system.
Answers at a Glance
Q: Why would I need a manual override switch?
A: Manual override allows you to control a load directly—turning it ON, OFF, or leaving it in AUTO—making maintenance, testing, and troubleshooting easier and safer.
Q: Can I add a manual override to an existing RIB® relay?
A: Yes! By using the SIB02S and some additional wiring, you can add a manual override function without replacing your current relay.
Q: What does the AUTO position on the SIB02S do?
A: In AUTO, the load operates normally—controlled by the relay’s signal. This is the default setting for everyday use.
Q: What happens when the switch is in the OPEN or CLOSED positions?
A: OPEN prevents the load from energizing (great for maintenance). CLOSED bypasses the control relay entirely, energizing the load directly for troubleshooting.
Q: Is this setup compatible with any RIB® relay?
A: Yes, the SIB02S can be wired with any RIB® relay that uses a Normally Open (N/O) contact.
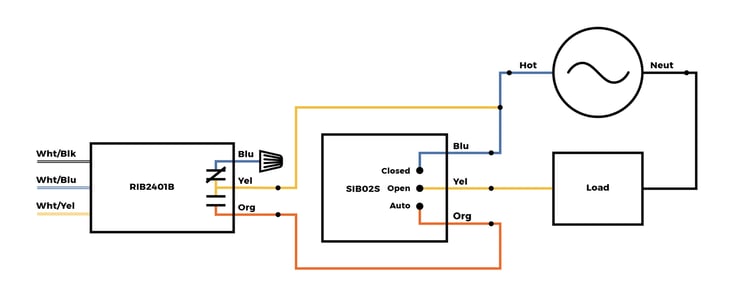
How to Install an Override Switch
Using one of our Prepackaged Switches in a Box, SIB02S, and a little extra wiring, you can override your load. The three diagrams that follow show how that would be accomplished using the RIB2401B as an example. Any Normally Open (N/O) contact from a controlled device can be wired in this manner.
Figure 1
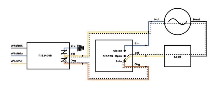
The SIB02S has been placed in the OPEN position. This prevents the Load from being energized, regardless of the control input to the relay. Even if the N/O contact of the RIB® were to close, there is not a path for the electricity to flow from the Source to the Load. With the switch in this position, it is now safe to perform maintenance or diagnostics to the equipment.

Figure 2
The SIB02S has been placed in the AUTO position. This allows the Load to be energized with a control signal to the RIB®. When coil voltage is present, the N/O contact will close, and there is now a path for the electricity through the SIB02S and the RIB2401B. The switch would be left in this position for normal operation.

Figure 3
The SIB02S has been placed in the CLOSED position. This allows the control relay to be bypassed, and the load is now directly connected to the Source. The ability to bypass the control device is beneficial in troubleshooting a system, because it helps to zero in on the problem.

We're Here to Help!
Adding manual override control to your system is a smart way to enhance flexibility, safety, and ease of maintenance. With a simple SIB02S switch and a little wiring, you can upgrade your setup without swapping out your RIB® relay. Need help or have questions? Our team is always ready to assist with wiring tips and product support! If you have any questions, please feel free to contact us!
About Functional Devices, Inc.

Functional Devices, Inc., located in the United States of America, has been designing and manufacturing quality electronic devices since 1969. Our mission is to enhance lives in buildings and beyond. We do so by designing and manufacturing reliable, high-quality products for the building automation industry. Our suite of product offerings include RIB relays, current sensors, power controls, power supplies, transformers, lighting controls, and more.
We test 100% of our products, which leads to less than 1 out of every 16,000 products experiencing a failure in the field.
Simply put, we provide users of our various products confidence and peace of mind in every box.